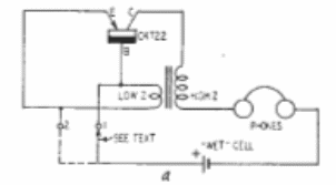
Este oscilador se encontró en una documentación de Raytheon de los años 60. El teléfono debe ser magnético de alta impedancia. El transistor está hecho de germanio.

Micro oscilador de audio
Este oscilador se encontró en una documentación de Raytheon de los años 60. El teléfono debe ser magnético de alta impedancia. El transistor está hecho de germanio.
