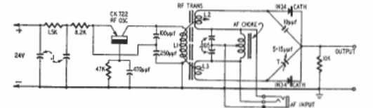
Tomado de un manual de transistores Raytheon de 1956, este circuito utiliza varistores para obtener la modulación de una señal para un transmisor pequeño. Los componentes son de la época.

Modulador con varistor
Tomado de un manual de transistores Raytheon de 1956, este circuito utiliza varistores para obtener la modulación de una señal para un transmisor pequeño. Los componentes son de la época.
