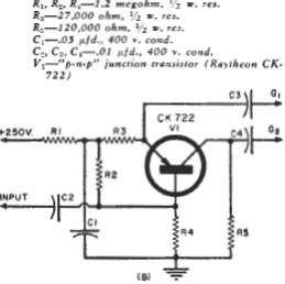
Esta es una de las muchas configuraciones de inversor de fase que el lector puede encontrar en este sitio web. Lo encontramos en un manual de transistores de los años 60. El transistor está hecho de germanio de la época.

Inversor de fase
Esta es una de las muchas configuraciones de inversor de fase que el lector puede encontrar en este sitio web. Lo encontramos en un manual de transistores de los años 60. El transistor está hecho de germanio de la época.
