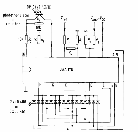
Este circuito de aplicación UAA170 se tomó del manual de circuitos integrados de Siemens de 1976. La tensión de alimentación máxima es de 18 V.

UAA170 Drive de LED
Este circuito de aplicación UAA170 se tomó del manual de circuitos integrados de Siemens de 1976. La tensión de alimentación máxima es de 18 V.
