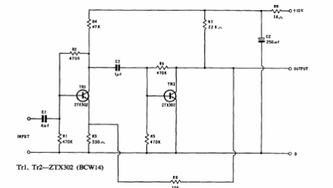
Este circuito fue tomado del manual de transistores Ferranti de 1974. Está diseñado para usar un instrumento común en un milivoltímetro sensible.

Preamplificador para milivoltímetro
Este circuito fue tomado del manual de transistores Ferranti de 1974. Está diseñado para usar un instrumento común en un milivoltímetro sensible.
