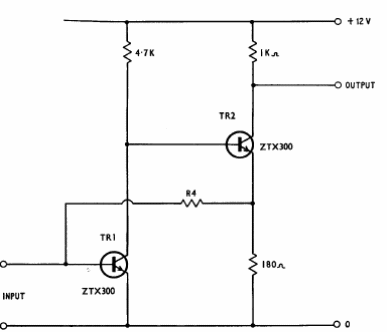
Este circuito fue tomado del manual de transistores Ferranti de 1974. Los transistores son tipos comunes en ese momento. La banda de paso es de 9 MHz y la ganancia de tensión es 10.

Amplificador de banda ancha
CIR22406S
Este circuito fue tomado del manual de transistores Ferranti de 1974. Los transistores son tipos comunes en ese momento. La banda de paso es de 9 MHz y la ganancia de tensión es 10.

CIR22406S