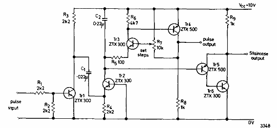
Este circuito se encontró en el manual de transistores de Ferranti de 1974. Los transistores son del período y las frecuencias generadas están entre 50 Hz y 2 kHz.

Generador de escalera

Generador de escalera
Este circuito se encontró en el manual de transistores de Ferranti de 1974. Los transistores son del período y las frecuencias generadas están entre 50 Hz y 2 kHz.

