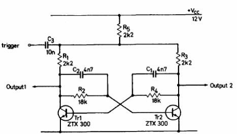
Este circuito, para biestables lentos, se encontró en el manual de transistores de Ferranti de 1974. Los transistores son de propósito general y la frecuencia máxima de funcionamiento alcanza los 50 kHz.

Biestable accionado por colector 2
Este circuito, para biestables lentos, se encontró en el manual de transistores de Ferranti de 1974. Los transistores son de propósito general y la frecuencia máxima de funcionamiento alcanza los 50 kHz.
