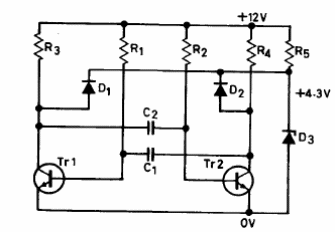
Este circuito se encontró en un manual de transistores Ferranti de 1974. Los transistores son de propósito general y la frecuencia es de aproximadamente 1 MHz.

Astable con diodo de captura

Astable con diodo de captura
Este circuito se encontró en un manual de transistores Ferranti de 1974. Los transistores son de propósito general y la frecuencia es de aproximadamente 1 MHz.

