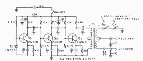
Este circuito combina varios generadores de ruido blanco para probar equipos de transmisión. El circuito es de una documentación de 1977.

Puente de ruido
Este circuito combina varios generadores de ruido blanco para probar equipos de transmisión. El circuito es de una documentación de 1977.
