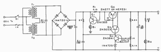
Esta fuente de 12 V proporciona una corriente máxima de 2 A y es adecuada para alimentar equipos móviles. El circuito es de una publicación estadounidense de 1977.

Fuente de alimentación 12V
Esta fuente de 12 V proporciona una corriente máxima de 2 A y es adecuada para alimentar equipos móviles. El circuito es de una publicación estadounidense de 1977.
