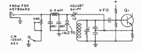
Este circuito se encontró en la documentación de 1977. Su propósito es conmutar por diodos la frecuencia de un VFO. La frecuencia depende del oscilador.

Manipulador FSK
Este circuito se encontró en la documentación de 1977. Su propósito es conmutar por diodos la frecuencia de un VFO. La frecuencia depende del oscilador.
