Encontramos este circuito en un manual de circuitos americano de 1977. Los componentes son de la época. Su propósito es limitar la señal cortando los picos que causan la sobremodulación.

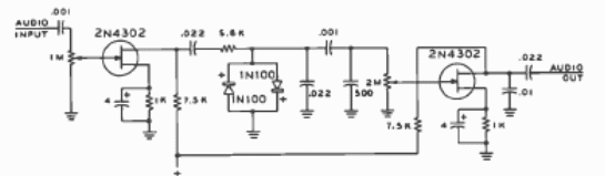
Limitador de modulación
Encontramos este circuito en un manual de circuitos americano de 1977. Los componentes son de la época. Su propósito es limitar la señal cortando los picos que causan la sobremodulación.

Usando un amplificador operacional con FET, este voltímetro tiene una alta resistencia de entrada. El...
De esta configuración aparece varias veces en nuestros artículos. Esta es una documentación de 1995. Los...
Esta sencilla prueba de diodos aparece en otra parte de esta sección. El circuito se puede adaptar...
| Joomla! Version | 5.3.2 |
| PHP Version | 8.3.24 |
| Identity | guest |
| Response | 200 |
| Template | cassiopeia |
| Database |
|
| 1 x After Access::preloadPermissions (com_content) (16.25MB) (51.13%) | 24.09ms |
| 1 x afterRenderComponent com_content (309.28KB) (14.92%) | 7.03ms |
| 1 x afterInitialise (1.13MB) (8.71%) | 4.11ms |
| 1 x afterRender (251.42KB) (6.81%) | 3.21ms |
| 1 x beforeRenderRawModule mod_articles_category (Banco de Circuitos) (359.36KB) (4.79%) | 2.26ms |
| 1 x afterRenderRawModule mod_finder (Busca_inteligente) (54.63KB) (2.49%) | 1.17ms |
| 1 x afterRoute (90.61KB) (2.16%) | 1.02ms |
| 1 x Before Access::getAssetRules (id:25133 name:com_content.article.28808) (514.65KB) (1.99%) | 939μs |
| 1 x beforeRenderModule mod_articles_category (Banco de Circuitos) (9.98KB) (1.57%) | 741μs |
| 1 x beforeRenderComponent com_content (100.52KB) (1.03%) | 487μs |
| 1 x After Access::preloadComponents (all components) (113.51KB) (0.91%) | 427μs |
| 1 x afterRenderRawModule mod_articles_category (Banco de Circuitos) (79.5KB) (0.81%) | 383μs |
| 1 x afterLoad (83.57KB) (0.61%) | 287μs |
| 1 x beforeRenderModule mod_finder (Busca_inteligente) (6.39KB) (0.51%) | 242μs |
| 1 x Before Access::preloadComponents (all components) (33.13KB) (0.45%) | 213μs |
| 1 x beforeRenderRawModule mod_finder (Busca_inteligente) (5.9KB) (0.27%) | 127μs |
| 1 x afterRenderModule mod_articles_category (Banco de Circuitos) (5.47KB) (0.2%) | 95μs |
| 1 x afterDispatch (2.25KB) (0.13%) | 63μs |
| 1 x After Access::getAssetRules (id:25133 name:com_content.article.28808) (7.38KB) (0.11%) | 52μs |
| 1 x afterRenderModule mod_finder (Busca_inteligente) (4.44KB) (0.1%) | 49μs |
| 1 x Before Access::preloadPermissions (com_content) (1.57KB) (0.02%) | 8μs |
SELECT @@SESSION.sql_mode;35μs968B/libraries/src/Session/MetadataManager.php:184CopySELECT `session_id`
FROM `incbmx_session`
WHERE `session_id` = :session_id LIMIT 183μs1.3KBParams/libraries/src/Session/MetadataManager.php:187CopyINSERT INTO `incbmx_session`
(`session_id`,`guest`,`time`,`userid`,`username`,`client_id`) VALUES
(:session_id, :guest, :time, :user_id, :username, :client_id)170μs944BParams/libraries/src/Session/MetadataManager.php:260CopySELECT `id`,`rules`
FROM `incbmx_viewlevels`61μs656B/libraries/src/Access/Access.php:955CopySELECT `b`.`id`
FROM `incbmx_usergroups` AS `a`
LEFT JOIN `incbmx_usergroups` AS `b` ON `b`.`lft` <= `a`.`lft` AND `b`.`rgt` >= `a`.`rgt`
WHERE `a`.`id` = :guest88μs1.64KBParams/libraries/src/Access/Access.php:868CopySELECT `c`.`id`,`c`.`asset_id`,`c`.`access`,`c`.`alias`,`c`.`checked_out`,`c`.`checked_out_time`,`c`.`created_time`,`c`.`created_user_id`,`c`.`description`,`c`.`extension`,`c`.`hits`,`c`.`language`,`c`.`level`,`c`.`lft`,`c`.`metadata`,`c`.`metadesc`,`c`.`metakey`,`c`.`modified_time`,`c`.`note`,`c`.`params`,`c`.`parent_id`,`c`.`path`,`c`.`published`,`c`.`rgt`,`c`.`title`,`c`.`modified_user_id`,`c`.`version`, CASE WHEN CHAR_LENGTH(`c`.`alias`) != 0 THEN CONCAT_WS(':', `c`.`id`, `c`.`alias`) ELSE `c`.`id` END as `slug`
FROM `incbmx_categories` AS `s`
INNER JOIN `incbmx_categories` AS `c` ON (`s`.`lft` <= `c`.`lft` AND `c`.`lft` < `s`.`rgt`) OR (`c`.`lft` < `s`.`lft` AND `s`.`rgt` < `c`.`rgt`)
WHERE (`c`.`extension` = :extension OR `c`.`extension` = 'system') AND `c`.`published` = 1 AND `s`.`id` = :id
ORDER BY `c`.`lft`211μs3.86KBParams/libraries/src/Categories/Categories.php:375CopySELECT `alias`
FROM `incbmx_content`
WHERE `id` = :id63μs1.31KBParams/components/com_content/src/Service/Router.php:289CopySELECT `id`,`name`,`rules`,`parent_id`
FROM `incbmx_assets`
WHERE `name` IN (:preparedArray1,:preparedArray2,:preparedArray3,:preparedArray4,:preparedArray5,:preparedArray6,:preparedArray7,:preparedArray8,:preparedArray9,:preparedArray10,:preparedArray11,:preparedArray12,:preparedArray13,:preparedArray14,:preparedArray15,:preparedArray16,:preparedArray17,:preparedArray18,:preparedArray19,:preparedArray20,:preparedArray21,:preparedArray22,:preparedArray23,:preparedArray24,:preparedArray25,:preparedArray26,:preparedArray27,:preparedArray28,:preparedArray29,:preparedArray30,:preparedArray31,:preparedArray32,:preparedArray33,:preparedArray34,:preparedArray35,:preparedArray36,:preparedArray37,:preparedArray38,:preparedArray39)220μs7.44KBParams/libraries/src/Access/Access.php:357CopySELECT `id`,`name`,`rules`,`parent_id`
FROM `incbmx_assets`
WHERE `name` LIKE :asset OR `name` = :extension OR `parent_id` = 07.73ms1.48MBParams/libraries/src/Access/Access.php:301CopySHOW FULL COLUMNS FROM `incbmx_content`329μs1.77KB/libraries/vendor/joomla/database/src/Mysqli/MysqliDriver.php:539CopyUPDATE `incbmx_content`
SET `hits` = (`hits` + 1)
WHERE `id` = '28808'149μs48B/libraries/src/Table/Table.php:1348CopySELECT `a`.`id`,`a`.`asset_id`,`a`.`title`,`a`.`alias`,`a`.`introtext`,`a`.`fulltext`,`a`.`state`,`a`.`catid`,`a`.`created`,`a`.`created_by`,`a`.`created_by_alias`,`a`.`modified`,`a`.`modified_by`,`a`.`checked_out`,`a`.`checked_out_time`,`a`.`publish_up`,`a`.`publish_down`,`a`.`images`,`a`.`urls`,`a`.`attribs`,`a`.`version`,`a`.`ordering`,`a`.`metakey`,`a`.`metadesc`,`a`.`access`,`a`.`hits`,`a`.`metadata`,`a`.`featured`,`a`.`language`,`fp`.`featured_up`,`fp`.`featured_down`,`c`.`title` AS `category_title`,`c`.`alias` AS `category_alias`,`c`.`access` AS `category_access`,`c`.`language` AS `category_language`,`fp`.`ordering`,`u`.`name` AS `author`,`parent`.`title` AS `parent_title`,`parent`.`id` AS `parent_id`,`parent`.`path` AS `parent_route`,`parent`.`alias` AS `parent_alias`,`parent`.`language` AS `parent_language`,ROUND(`v`.`rating_sum` / `v`.`rating_count`, 1) AS `rating`,`v`.`rating_count` AS `rating_count`
FROM `incbmx_content` AS `a`
INNER JOIN `incbmx_categories` AS `c` ON `c`.`id` = `a`.`catid`
LEFT JOIN `incbmx_content_frontpage` AS `fp` ON `fp`.`content_id` = `a`.`id`
LEFT JOIN `incbmx_users` AS `u` ON `u`.`id` = `a`.`created_by`
LEFT JOIN `incbmx_categories` AS `parent` ON `parent`.`id` = `c`.`parent_id`
LEFT JOIN `incbmx_content_rating` AS `v` ON `a`.`id` = `v`.`content_id`
WHERE
(
(`a`.`id` = :pk AND `c`.`published` > 0) AND
(`a`.`publish_up` IS NULL OR `a`.`publish_up` <= :publishUp)) AND
(`a`.`publish_down` IS NULL OR `a`.`publish_down` >= :publishDown) AND `a`.`state` IN (:preparedArray1,:preparedArray2)192μs6.12KBParams/components/com_content/src/Model/ArticleModel.php:215CopySELECT `c`.`id`,`c`.`asset_id`,`c`.`access`,`c`.`alias`,`c`.`checked_out`,`c`.`checked_out_time`,`c`.`created_time`,`c`.`created_user_id`,`c`.`description`,`c`.`extension`,`c`.`hits`,`c`.`language`,`c`.`level`,`c`.`lft`,`c`.`metadata`,`c`.`metadesc`,`c`.`metakey`,`c`.`modified_time`,`c`.`note`,`c`.`params`,`c`.`parent_id`,`c`.`path`,`c`.`published`,`c`.`rgt`,`c`.`title`,`c`.`modified_user_id`,`c`.`version`, CASE WHEN CHAR_LENGTH(`c`.`alias`) != 0 THEN CONCAT_WS(':', `c`.`id`, `c`.`alias`) ELSE `c`.`id` END as `slug`
FROM `incbmx_categories` AS `s`
INNER JOIN `incbmx_categories` AS `c` ON (`s`.`lft` <= `c`.`lft` AND `c`.`lft` < `s`.`rgt`) OR (`c`.`lft` < `s`.`lft` AND `s`.`rgt` < `c`.`rgt`)
WHERE (`c`.`extension` = :extension OR `c`.`extension` = 'system') AND `c`.`access` IN (:preparedArray1,:preparedArray2) AND `c`.`published` = 1 AND `s`.`id` = :id
ORDER BY `c`.`lft`221μs3.91KBParams/libraries/src/Categories/Categories.php:375CopySELECT `m`.`tag_id`,`t`.*
FROM `incbmx_contentitem_tag_map` AS `m`
INNER JOIN `incbmx_tags` AS `t` ON `m`.`tag_id` = `t`.`id`
WHERE `m`.`type_alias` = :contentType AND `m`.`content_item_id` = :id AND `t`.`published` = 1 AND `t`.`access` IN (:preparedArray1,:preparedArray2)270μs3.97KBParams/libraries/src/Helper/TagsHelper.php:388CopySELECT `c`.`id`,`c`.`asset_id`,`c`.`access`,`c`.`alias`,`c`.`checked_out`,`c`.`checked_out_time`,`c`.`created_time`,`c`.`created_user_id`,`c`.`description`,`c`.`extension`,`c`.`hits`,`c`.`language`,`c`.`level`,`c`.`lft`,`c`.`metadata`,`c`.`metadesc`,`c`.`metakey`,`c`.`modified_time`,`c`.`note`,`c`.`params`,`c`.`parent_id`,`c`.`path`,`c`.`published`,`c`.`rgt`,`c`.`title`,`c`.`modified_user_id`,`c`.`version`, CASE WHEN CHAR_LENGTH(`c`.`alias`) != 0 THEN CONCAT_WS(':', `c`.`id`, `c`.`alias`) ELSE `c`.`id` END as `slug`
FROM `incbmx_categories` AS `s`
INNER JOIN `incbmx_categories` AS `c` ON (`s`.`lft` <= `c`.`lft` AND `c`.`lft` < `s`.`rgt`) OR (`c`.`lft` < `s`.`lft` AND `s`.`rgt` < `c`.`rgt`)
WHERE (`c`.`extension` = :extension OR `c`.`extension` = 'system') AND `c`.`access` IN (:preparedArray1,:preparedArray2) AND `c`.`published` = 1 AND `s`.`id` = :id
ORDER BY `c`.`lft`250μs3.91KBParams/libraries/src/Categories/Categories.php:375CopySELECT DISTINCT a.id, a.title, a.name, a.checked_out, a.checked_out_time, a.note, a.state, a.access, a.created_time, a.created_user_id, a.ordering, a.language, a.fieldparams, a.params, a.type, a.default_value, a.context, a.group_id, a.label, a.description, a.required, a.only_use_in_subform,l.title AS language_title, l.image AS language_image,uc.name AS editor,ag.title AS access_level,ua.name AS author_name,g.title AS group_title, g.access as group_access, g.state AS group_state, g.note as group_note
FROM incbmx_fields AS a
LEFT JOIN `incbmx_languages` AS l ON l.lang_code = a.language
LEFT JOIN incbmx_users AS uc ON uc.id=a.checked_out
LEFT JOIN incbmx_viewlevels AS ag ON ag.id = a.access
LEFT JOIN incbmx_users AS ua ON ua.id = a.created_user_id
LEFT JOIN incbmx_fields_groups AS g ON g.id = a.group_id
LEFT JOIN `incbmx_fields_categories` AS fc ON fc.field_id = a.id
WHERE
(
(`a`.`context` = :context AND (`fc`.`category_id` IS NULL OR `fc`.`category_id` IN (:preparedArray1,:preparedArray2)) AND `a`.`access` IN (:preparedArray3,:preparedArray4)) AND
(`a`.`group_id` = 0 OR `g`.`access` IN (:preparedArray5,:preparedArray6)) AND `a`.`state` = :state) AND
(`a`.`group_id` = 0 OR `g`.`state` = :gstate) AND `a`.`only_use_in_subform` = :only_use_in_subform
ORDER BY a.ordering ASC564μs4.75KBParams/libraries/src/MVC/Model/BaseDatabaseModel.php:164CopySELECT `c`.`id`,`c`.`asset_id`,`c`.`access`,`c`.`alias`,`c`.`checked_out`,`c`.`checked_out_time`,`c`.`created_time`,`c`.`created_user_id`,`c`.`description`,`c`.`extension`,`c`.`hits`,`c`.`language`,`c`.`level`,`c`.`lft`,`c`.`metadata`,`c`.`metadesc`,`c`.`metakey`,`c`.`modified_time`,`c`.`note`,`c`.`params`,`c`.`parent_id`,`c`.`path`,`c`.`published`,`c`.`rgt`,`c`.`title`,`c`.`modified_user_id`,`c`.`version`, CASE WHEN CHAR_LENGTH(`c`.`alias`) != 0 THEN CONCAT_WS(':', `c`.`id`, `c`.`alias`) ELSE `c`.`id` END as `slug`
FROM `incbmx_categories` AS `s`
INNER JOIN `incbmx_categories` AS `c` ON (`s`.`lft` <= `c`.`lft` AND `c`.`lft` < `s`.`rgt`) OR (`c`.`lft` < `s`.`lft` AND `s`.`rgt` < `c`.`rgt`)
WHERE (`c`.`extension` = :extension OR `c`.`extension` = 'system') AND `c`.`access` IN (:preparedArray1,:preparedArray2) AND `c`.`published` = 1 AND `s`.`id` = :id
ORDER BY `c`.`lft`264μs5.16KBParams/libraries/src/Categories/Categories.php:375CopySELECT `title`
FROM `incbmx_finder_taxonomy`
WHERE `parent_id` = 1 AND `state` = 1 AND `access` IN (1,5)116μs648B/administrator/components/com_finder/src/Indexer/Taxonomy.php:325CopySELECT *
FROM `incbmx_schemaorg`
WHERE `itemId` = :itemId AND `context` = :context68μs1.55KBParams/plugins/system/schemaorg/src/Extension/Schemaorg.php:406CopySELECT `a`.`id`,`a`.`asset_id`,`a`.`title`,`a`.`alias`,`a`.`introtext`,`a`.`fulltext`,`a`.`state`,`a`.`catid`,`a`.`created`,`a`.`created_by`,`a`.`created_by_alias`,`a`.`modified`,`a`.`modified_by`,`a`.`checked_out`,`a`.`checked_out_time`,`a`.`publish_up`,`a`.`publish_down`,`a`.`images`,`a`.`urls`,`a`.`attribs`,`a`.`version`,`a`.`ordering`,`a`.`metakey`,`a`.`metadesc`,`a`.`access`,`a`.`hits`,`a`.`metadata`,`a`.`featured`,`a`.`language`,`fp`.`featured_up`,`fp`.`featured_down`,`c`.`title` AS `category_title`,`c`.`alias` AS `category_alias`,`c`.`access` AS `category_access`,`c`.`language` AS `category_language`,`fp`.`ordering`,`u`.`name` AS `author`,`parent`.`title` AS `parent_title`,`parent`.`id` AS `parent_id`,`parent`.`path` AS `parent_route`,`parent`.`alias` AS `parent_alias`,`parent`.`language` AS `parent_language`,ROUND(`v`.`rating_sum` / `v`.`rating_count`, 1) AS `rating`,`v`.`rating_count` AS `rating_count`
FROM `incbmx_content` AS `a`
INNER JOIN `incbmx_categories` AS `c` ON `c`.`id` = `a`.`catid`
LEFT JOIN `incbmx_content_frontpage` AS `fp` ON `fp`.`content_id` = `a`.`id`
LEFT JOIN `incbmx_users` AS `u` ON `u`.`id` = `a`.`created_by`
LEFT JOIN `incbmx_categories` AS `parent` ON `parent`.`id` = `c`.`parent_id`
LEFT JOIN `incbmx_content_rating` AS `v` ON `a`.`id` = `v`.`content_id`
WHERE
(
(`a`.`id` = :pk AND `c`.`published` > 0) AND
(`a`.`publish_up` IS NULL OR `a`.`publish_up` <= :publishUp)) AND
(`a`.`publish_down` IS NULL OR `a`.`publish_down` >= :publishDown) AND `a`.`state` IN (:preparedArray1,:preparedArray2)177μs6.17KBParams/components/com_content/src/Model/ArticleModel.php:215CopySELECT SUM(CASE WHEN `a`.`next_execution` <= :now THEN 1 ELSE 0 END) AS due_count,SUM(CASE WHEN `a`.`locked` IS NULL THEN 0 ELSE 1 END) AS locked_count
FROM `incbmx_scheduler_tasks` AS `a`
WHERE `a`.`state` = 180μs1.37KBParams/administrator/components/com_scheduler/src/Model/TasksModel.php:517Copy


