Esta es otra de las muchas configuraciones de preamplificador con operacionales que se pueden encontrar en este sitio. La ganancia es de 50 dB y se puede cambiar cambiando el resistor de 3M3.

Preamplificador 741
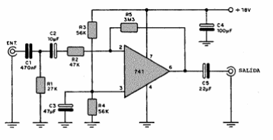
Esta es otra de las muchas configuraciones de preamplificador con operacionales que se pueden encontrar en este sitio. La ganancia es de 50 dB y se puede cambiar cambiando el resistor de 3M3.
