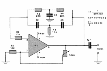
En la figura tenemos la configuración típica de un oscilador de audio sinusoidal con doble T. La frecuencia viene dada por la doble T y se puede calcular mediante las fórmulas al lado del diagrama.

Oscilador doble T
En la figura tenemos la configuración típica de un oscilador de audio sinusoidal con doble T. La frecuencia viene dada por la doble T y se puede calcular mediante las fórmulas al lado del diagrama.
