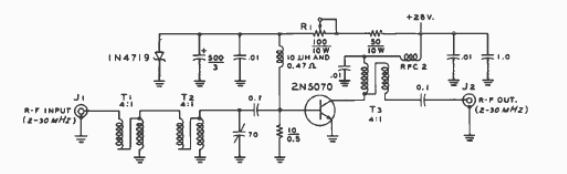
Este circuito se encontró en un Radio Handbook de 1977. El componente crítico es el transformador T1 que debe envolverse alrededor de un núcleo de ferrita toroidal.

Amplificador lineal de 2 a 30 MHz
Este circuito se encontró en un Radio Handbook de 1977. El componente crítico es el transformador T1 que debe envolverse alrededor de un núcleo de ferrita toroidal.
