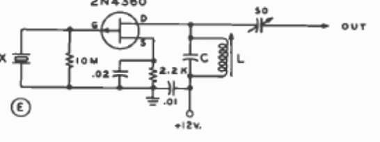
Encontrado en un Radio Handbook de 1977, este oscilador puede llegar a más de 10 MHz. El FET podría ser el equivalente moderno.

Oscilador FET de cristal
Encontrado en un Radio Handbook de 1977, este oscilador puede llegar a más de 10 MHz. El FET podría ser el equivalente moderno.
