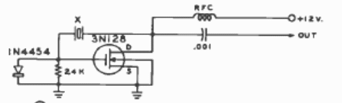
Esta configuración de oscilador de transistor MOS se encontró en un Radio Handbook de 1977. La frecuencia depende del cristal utilizado.

Oscilador MOSFET de cristal
Esta configuración de oscilador de transistor MOS se encontró en un Radio Handbook de 1977. La frecuencia depende del cristal utilizado.
