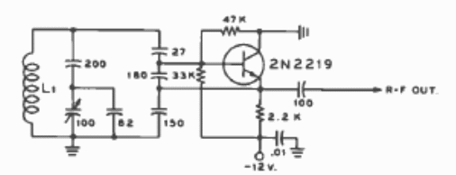
Este tipo de oscilador se encontró en un Radio Handbook de 1977. El circuito opera entre 5 y 5.6 MHz con los componentes sugeridos.

Oscilador Seiler
Este tipo de oscilador se encontró en un Radio Handbook de 1977. El circuito opera entre 5 y 5.6 MHz con los componentes sugeridos.
