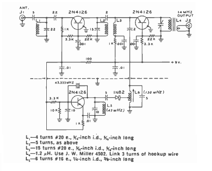
Encontramos este circuito en un Radio Handbook de 1977. Se proporcionaron datos para enrollar las bobinas. Los demás componentes son comunes o de época.

Convertidor a 144 MHz 2
Encontramos este circuito en un Radio Handbook de 1977. Se proporcionaron datos para enrollar las bobinas. Los demás componentes son comunes o de época.
