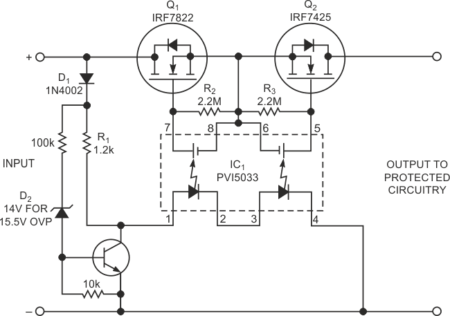
Este circuito de protección utiliza diodos Shottky en un circuito integrado International Rectifier PVI5033 e IRF7822. El circuito tiene una resistencia de solo 0.013 ohms con una carga de 10 amperes.

 

Protector de polaridad de baja pérdida
Protector de polaridad de baja pérdida | Haga click en la imagen para ampliar |