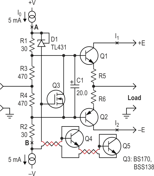
Basado en el TL431, este circuito de configuración de clase AB se puede aplicar a circuitos de potencia de los valores más diversos. El circuito se basa en un regulador de Texas Instruments.

Escalón de salida segura Clase AB
Basado en el TL431, este circuito de configuración de clase AB se puede aplicar a circuitos de potencia de los valores más diversos. El circuito se basa en un regulador de Texas Instruments.
