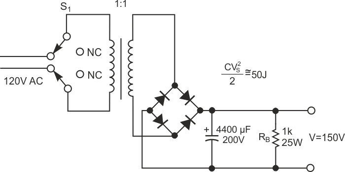
En fuentes de alta tensión, se recomienda descargar rápidamente los condensadores del filtro para evitar choques en un eventual contacto, durante el mantenimiento. Un resistor de 1k con disipación adecuada es una buena solución.
En fuentes de alta tensión, se recomienda descargar rápidamente los condensadores del filtro para evitar choques en un eventual contacto, durante el mantenimiento. Un resistor de 1k con disipación adecuada es una buena solución.