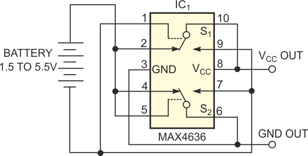
Este circuito se basa en la documentación de Maxim. El circuito integrado MAX4636 consta de dos interruptores que se pueden configurar para invertir la energía a una carga si la batería tiene su polaridad invertida.

Protección contra inversión de batería MAX4636



