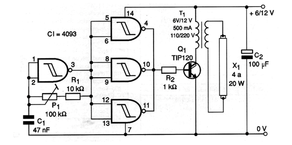
El circuito inversor mostrado en la figura se puede utilizar para accionar una lámpara fluorescente en un sistema de iluminación de emergencia, camping o incluso para uso automotriz. El rendimiento depende del transformador usado y de la frecuencia que se puede ajustar en P1. Dependiendo de la lámpara, el lector puede hacer experimentos con diversos transformadores pequeños. El transistor de potencia debe montarse en un radiador de calor. Otra aplicación importante es en el accionamiento de una pequeña lámpara ultravioleta de 2 a 4 vatios para análisis de fluorescencia de rocas en análisis de campo, lo que puede llevar al descubrimiento de minerales raros. El aparato, alimentado con 4 o 6 pilas grandes, puede ser montado en una pequeña caja para uso portátil.




