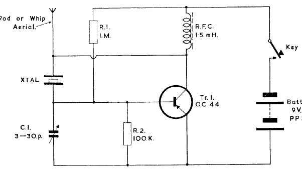
Este transmisor de corto alcance tiene la frecuencia determinada por el cristal. La frecuencia puede estar entre 500 kHz y 2 MHz y el rango es pequeño. El transistor es de germanio.

Transmisor AM de cristal
Este transmisor de corto alcance tiene la frecuencia determinada por el cristal. La frecuencia puede estar entre 500 kHz y 2 MHz y el rango es pequeño. El transistor es de germanio.
