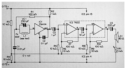
Este circuito es más elaborado que el anterior, empleando un circuito amplificador integrado de la época. El circuito es de 1991.

Receptor solar
Este circuito es más elaborado que el anterior, empleando un circuito amplificador integrado de la época. El circuito es de 1991.
