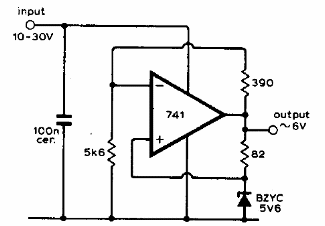
Este circuito, de una publicación americana de 1974, proporciona una regulación de 0,005% con una variación de menos de 1 mV cuando la tensión de entrada varía de 0 a 30 V. El circuito puede ser usado como excelente referencia de tensión para fuentes.




