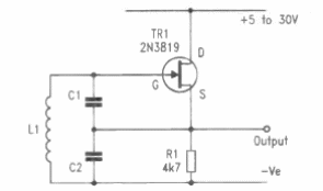
Este circuito ultra simple tiene la frecuencia determinada por la red LC. Se puede utilizar cualquier JFET de propósito general.

Oscilador Colpitts con FET
Este circuito ultra simple tiene la frecuencia determinada por la red LC. Se puede utilizar cualquier JFET de propósito general.
