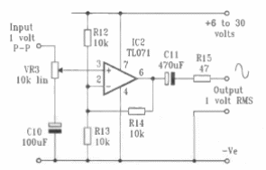
Encontramos este circuito en una publicación de los años 90. El circuito se utiliza con osciladores sinusoidales (puente de Wien) para amplificar las señales. Se pueden utilizar operacionales equivalentes.

Paso de potencia para osciladores
Encontramos este circuito en una publicación de los años 90. El circuito se utiliza con osciladores sinusoidales (puente de Wien) para amplificar las señales. Se pueden utilizar operacionales equivalentes.
