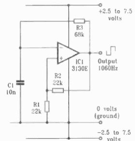
Este oscilador genera señales rectangulares de 100 kHz dependientes de C1. El circuito requiere fuente simétrica.

Oscilador de 100 kHz
Este oscilador genera señales rectangulares de 100 kHz dependientes de C1. El circuito requiere fuente simétrica.
