Este circuito tiene un ciclo de trabajo del 50%. Lo encontramos en la documentación inglesa antigua. La frecuencia central es de alrededor de 1 kHz.

Oscilador controlado por tensión
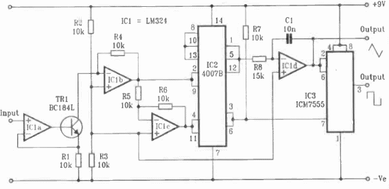
Este circuito tiene un ciclo de trabajo del 50%. Lo encontramos en la documentación inglesa antigua. La frecuencia central es de alrededor de 1 kHz.
