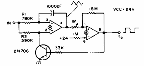
Encontramos este circuito en una publicación para radioaficionados de 1976. El amplificador operacional es de transconductancia como el LM3900 y la alimentación debe ser hecha con fuente simétrica. El transistor puede ser el 2N2222. Con los componentes indicados el circuito produce 400 Hz con 5 V de entrada.




