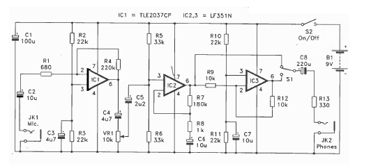
El propósito de este circuito es invertir la fase de un ruido y aplicarlo al ambiente para cancelarlo. El circuito es de una documentación en inglés de 1995.

Cancelador de ruido
El propósito de este circuito es invertir la fase de un ruido y aplicarlo al ambiente para cancelarlo. El circuito es de una documentación en inglés de 1995.
