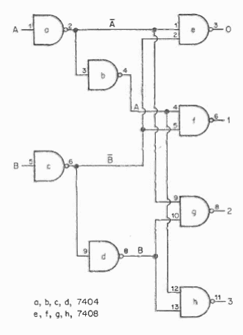
Esta es la versión anterior, pero con una simplificación dada por el uso de los circuitos 7404 y 7408. El circuito debe ser alimentado a 5 V.

Decodificador simplificado de 2 bits 7400
Esta es la versión anterior, pero con una simplificación dada por el uso de los circuitos 7404 y 7408. El circuito debe ser alimentado a 5 V.
