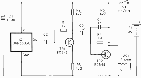
Este circuito utiliza un dispositivo Hall de esa época como sensor. El circuito es de una documentación en inglés de 1995. La señal se obtiene en un teléfono de cristal o se aplica a un amplificador externo.

Trazador de campo magnético
Este circuito utiliza un dispositivo Hall de esa época como sensor. El circuito es de una documentación en inglés de 1995. La señal se obtiene en un teléfono de cristal o se aplica a un amplificador externo.
