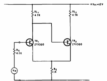
Este circuito activado por nivel de tensión se encontró en una documentación en inglés de Ferranti de 1969. Se pueden usar transistores equivalentes modernos.

Interruptor de nivel de tensión
Este circuito activado por nivel de tensión se encontró en una documentación en inglés de Ferranti de 1969. Se pueden usar transistores equivalentes modernos.
