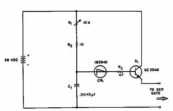
Este simple disparador SCR se encontró en un manual SCR de General Electric de 1965. El circuito hace uso de un diac y el transistor admite un equivalente.

Disparador de SCR
Este simple disparador SCR se encontró en un manual SCR de General Electric de 1965. El circuito hace uso de un diac y el transistor admite un equivalente.
