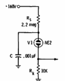
Encontrado en una documentación antigua sobre lámparas de neón, este circuito tiene la frecuencia determinada básicamente por el capacitor C. Tenga en cuenta la alta tensión de alimentación.

Oscilador de neón de 2400 Hz
Encontrado en una documentación antigua sobre lámparas de neón, este circuito tiene la frecuencia determinada básicamente por el capacitor C. Tenga en cuenta la alta tensión de alimentación.
