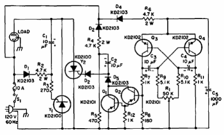
Encontrado en un manual RCA de 1967, el propósito de este circuito es mantener el café caliente en una cafetera eléctrica. Los componentes son de la época.

Calentador de café
Encontrado en un manual RCA de 1967, el propósito de este circuito es mantener el café caliente en una cafetera eléctrica. Los componentes son de la época.
