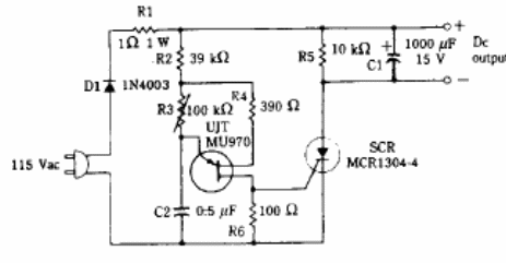
Esta fuente de alimentación sin transformador se encontró en una antigua documentación estadounidense. Utiliza un SCR para la conmutación. La corriente es de 100 mA y la tensión de 10 a 15 V.

Fuente sin transformador
Esta fuente de alimentación sin transformador se encontró en una antigua documentación estadounidense. Utiliza un SCR para la conmutación. La corriente es de 100 mA y la tensión de 10 a 15 V.
