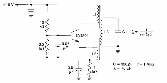
Este oscilador acoplado inductivamente se encontró en una documentación estadounidense de los años 90. El circuito con los componentes indicados genera una señal L1 de 1 MHz que típicamente tiene 10 veces el número de vueltas de L1.

Oscilador Reinartz



