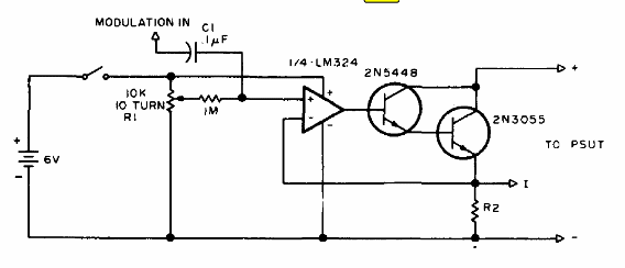
La finalidad de este circuito es probar fuentes de alimentación funcionando como una carga variable que puede drenar corrientes hasta más de 5 A. El transistor de potencia debe estar dotado de radiador de calor y el controlador puede ser el TIP31. El circuito se obtuvo en una publicación de 1976. PSUT es Power Supply bajo prueba, o fuente de alimentación bajo prueba.




