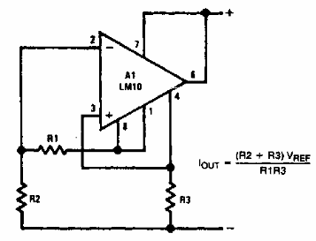
Esta es la configuración básica de un amplificador operacional como regulador de corriente. Lo encontramos en un manual de National Semiconductor de la década de 1990. Se aplica a otros operacionales.

Regulador de corriente con operacional
Esta es la configuración básica de un amplificador operacional como regulador de corriente. Lo encontramos en un manual de National Semiconductor de la década de 1990. Se aplica a otros operacionales.
