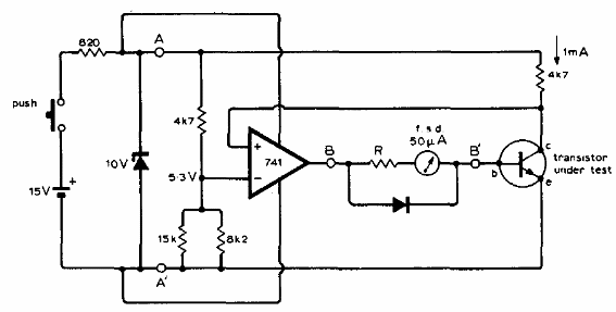
En la figura tenemos una configuración que permite probar transistores NPN y con la adición de una llave conmutadora, también transistores PNP. El circuito es de una publicación de 1976. La ganancia del transistor 1 mA dividido por la corriente indicada por el instrumento.




