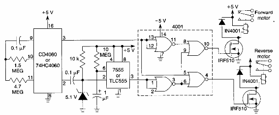
Encontramos este circuito en una documentación estadounidense antigua, pero el circuito aún se puede ensamblar con facilidad ya que los componentes usados todavía están disponibles. Los MOSFET admiten equivalentes.

Control de motor con retardo
Encontramos este circuito en una documentación estadounidense antigua, pero el circuito aún se puede ensamblar con facilidad ya que los componentes usados todavía están disponibles. Los MOSFET admiten equivalentes.
