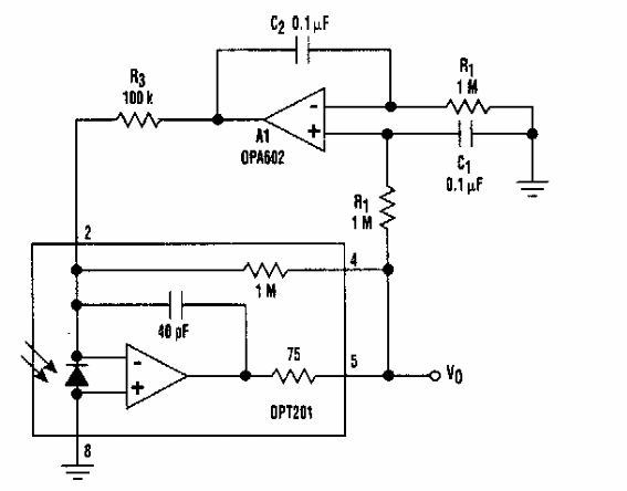
Este circuito es de una Electronic Design de los años 90. El circuito tiene una excelente ganancia y debe ser alimentado por una fuente simétrica.

Amplificador de fotodiodo
Este circuito es de una Electronic Design de los años 90. El circuito tiene una excelente ganancia y debe ser alimentado por una fuente simétrica.
