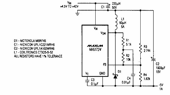
Este circuito se encontró en la documentación antigua de Maxim. Verifique la disponibilidad del IC si va a montar el circuito. La corriente de salida es 1A.

Convertidor de tensión positiva a negativa
Este circuito se encontró en la documentación antigua de Maxim. Verifique la disponibilidad del IC si va a montar el circuito. La corriente de salida es 1A.
