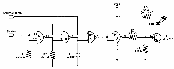
Encontrado en una publicación estadounidense de la década de 1980, este circuito modula un láser LED para la transmisión de datos por fibra óptica. La frecuencia del oscilador es de aproximadamente 3 kHz y el integrado es un 4093.

Transmisor experimental para fibra óptica



