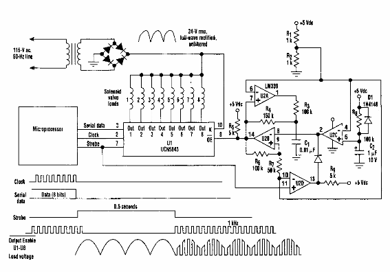
Encontrado en una Electronic Design de los años 80, este circuito utiliza componentes de esa época. Le tiene salidas para activar 8 solenoides desde un microcontrolador.

Controlador de solenoide múltiple
Encontrado en una Electronic Design de los años 80, este circuito utiliza componentes de esa época. Le tiene salidas para activar 8 solenoides desde un microcontrolador.
